Прием звонков: Пн-Пт: с 8.00 до 21.00
Сб,Вс: с 9.00 до 18.00
(Бесплатный звонок по России)
Ваш Регион: Республика Ингушетия
Ваш город: Сагопши
Изменить город:

ГлавнаяПроектыВагончики бытовки → Жилой вагончик 6м - распашонка

Жилой вагончик 6м - распашонка

Сроки строительства: июль 2015г.
Населенный пункт: Темрюк
Адрес доставки: Краснодарский край, Темрюкский район, ст.Старотитаровская
Заказчик: Физические лица
Стоимость проекта (цена): узнать стоимость

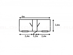
Блок - контейнер  БК 6,0*2,4*2,5

заявка 163

Комплектация:

1. Блок - контейнер  БК 6,0*2,4*2,5

Комплектация:                                                                                                            

- металлический каркас: швеллер 100мм, усилен уголком 25мм, угол 63мм, цвет синий;

- кровля плоская сварная, металл 1,5 мм, грунт-краска, цвет коричневый;                      

- утеплитель 50мм: стены, пол, потолок;

- ветро - гидроизоляция-пленка ПВХ 80мкр: стены, пол, потолок;

- внешняя отделка: оцинкованный  профлист;

- входная дверь металлическая Россия «Эконом», утепленная с врезным замком - 1шт.;

- окно ПВХ однокамерное, п/о  700*900 - 2шт.;

- отделка внутренняя: стены, потолок - вагонка ПВХ белые;

- пол: ДСП 16мм,линолеум,  плинтус ПВХ;

-металлическое дно в ПОДАРОК!

- закладные из бруса под кондиционер-1шт.

         - электрика в кабель-канале : 3-х жильный провод, светильник - 3 шт.,           

           выключатель-3шт., розетка двойная  - 4шт., розетка по кондиционер -2шт.,

 автоматы на розетки, автоматы на освещение. ( ПУНП 3*2,5 на розетки, ПУНП 3*1,5 на  освещение.)

- перегородка ПВХ с дверью МДФ - 2шт.  

Доставка ст. Старотиторовская , Темрюкский район, Краснодарский край. Россия.

Фундамент (площадку) и разгрузку товара Покупатель  производит самостоятельно.


Жилой вагончик 6м - распашонка
Жилой вагончик 6м - распашонка
Жилой вагончик 6м - распашонка
Жилой вагончик 6м - распашонка
Жилой вагончик 6м - распашонка
Жилой вагончик 6м - распашонка
Жилой вагончик 6м - распашонка
Жилой вагончик 6м - распашонка
Жилой вагончик 6м - распашонка
Жилой вагончик 6м - распашонка

Для того, чтобы узнать стоимость проекта, заполните форму ниже:

Узнать стоимость этого проекта

ОШИБКА:
Заполните, пожалуйста, все поля корректно!
Спасибо!
Ваш запрос отправлен, через некоторое время с Вами свяжутся!
Представтесь(ФИО)*:

Телефон*:

Город доставки*:

E-mail*:


Нажимая на кнопку, вы даете согласие на обработку персональных данных
* - поле обязательно для заполнения.
Назад